网站首页
关于盛源
产品中心
企业形象
荣誉资质
合作客户
新闻中心
公司动态
行业资讯
常见问题
联系我们
138-2650-7800
Product Center
产品中心
4
产品中心
您的位置:
首页
->
产品中心
->
TYPE C
->
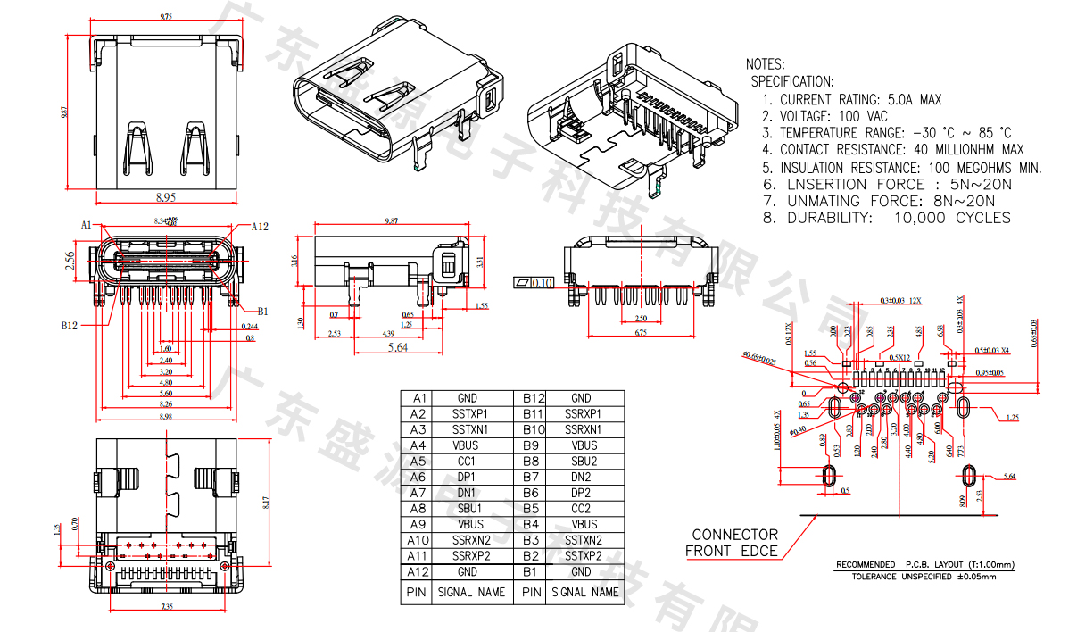
TC-24M01MD-BK010(9.87板上单排贴片母座24PIN 1.15短脚
TS轻触开关
DMK MINI横拨开关
DMV MINI直拨开关
SK 横拨开关
SS 直拨开关
大电流拔动开关
PS按键开关
检测开关
船形开关
GT-101
GT101-AE0B1BB
GT101-BE0B1BB
GT101-AE0B2BB
GT101-BE0B2BB
GT101-AF0D1BB
GT101-DE0B1BB
GT-505
GT505-AF0D2BB
GT505-AA2B2RB
GT505-DNOD2BB
GT505-DH2B2RB
GT505-EH2B2RB
GT505-GF0D2BB
GT505-FA0F2BB
GT505-B1A2A2RB
GT-606
GT606-AE0B3BB
GT606-BE0B4BB
GT606-AF0D3BB
GT606-BE05BB
GT606-BE0B3BB
GT606-BA2B3RB
GT606-CH2B6RB
GT606-EE0B3BB
GT606-CH2B7RB
GT606-DA0B6BB
GT606-GH0B2BB
GT606-F1A2A3RB
薄膜开关
扭子开关
MR系列
MR-0-101-A01-0000 MR-0-102-A01-0000 MR-0-103-A01-0000 MR-0-112-A01-0000 MR-0-113-A01-0000 MR-0-123-A01-0000
MR-0-201-A01-0300 MR-0-202-A01-0300 MR-0-203-A01-0300 MR-0-212-A01-0300 MR-0-213-A01-0300 MR-0-223-A01-0300 MR-0-233-A01-0300
MR-0-101-A05-0000 MR-0-102-A05-0000 MR-0-103-A05-0000 MR-0-112-A05-0000 MR-0-113-A05-0000 MR-0-123-A05-0000
MR-0-201-A02-0002
MR-0-101-A03-0003
MR-0-201-A03-0003
MR-0-201-A03-0003
MR-0-101-A04-0308
MR-0-201-A04-0004
MT系列
MT-0-101-A001-T000
MT-0-201-A101-M200
MT-0-101-A002-M000
MT-0-201-A102-M200
MT-0-101-C003-N003
MT-0-201-C003-N003
MT-0-101-A104-N104
MT-0-201-C004-N004
MT-0-101-F001-T000
SR系列
SR-0-101-A01-0001
SR-0-101-C02-0005
SR-0-101-C03-0206
SR-0-201-C03-0003
SR-0-101-A04-0308
SR-0-202-C04-0008
ST系列
ST-0-101-A01-M000
ST-0-201-A01-T000
ST-0-101-A02-T000
ST-0-201-C02-N005
ST-0-102-C03-N003
ST-0-202-C03-N003
ST-0-102-C04N-008
ST-0-202-A04-N008
ST插座
DC插座
TYPE C
USB
POGO
WF针座
FPC座
PH排针/排母
SD/TF卡座
MS微动开关系列
超窄型微动
防水开关
小微动开关
中微动
一体式中微动
大微动
TC-24M01MD-BK010(9.87板上单排贴片母座24PIN 1.15短脚
TC-24M01MD-BK010(9.87板上单排贴片母座24PIN 1.15短脚
[上一个:TC-24M01MD-BK006(板上双排贴片带柱24PIN)]
[下一个:TC-24M01LT-BK032(立贴9.3母座24PIN)]
TC-24M01MD-BK010(9.87板上单排贴片母座24PIN 1.15短脚
详情说明
相关产品指引
TC-16M01MD-BK003(7.35壳 板上单排16PIN)
TC-16M01MD-BK003B (7.35壳 全贴 16PIN)
TC-14M01LC-BK077 ( 14PIN鱼叉立插10.5)
TC-14M01LC-BK065A (9.3 立插板 14PIN)
TC-14M01LT-BK074A (9.3 14P 立贴)
TC-14M01CLC-BK042B (垫高2.6侧插90度母座14PIN) 前小脚后鱼叉
TC-16M7.2CT-BK061(侧贴90度母座16PIN)
TC-16M01CB-BK005(沉板1.6单排16PIN贴片)
TC-16M01LT-BK048 (立贴 10.0母座16P)
TC-16M01LC-BK048C (双排立插 10.0母座16P )
contact
联系我们
0752-6611829
联系人:黄玉文
手 机:13826507800 / 18933269745
Q Q:554785734
邮 箱:sy@shengyuandz.com
地 址:惠州市博罗县石湾镇明月三路滘吓马屋村路段北侧山丁埔
about
关于盛源
公司简介
应用案例
合作伙伴
企业形象
荣誉资质
products
产品分类
TS轻触开关
DMK MINI横拨开关
DMV MINI直拨开关
SK 横拨开关
SS 直拨开关
case
行业应用
数码产品
音响视听设备
家用电器
通讯仪器仪表
+点击更多案例
news
新闻 · 联系
公司动态
行业资讯
常见问题
联系我们
Copyright © 2025 广东盛源电子科技有限公司 版权所有 访问量: 【
后台管理
】【
粤ICP备2025391468号
】
*本站部分网页素材及相关资源来源互联网,如有侵权请速告知,我们将会在24小时内删除*
技术支持【
东莞网站建设
】【
BMAP
】【
GMAP
】
友情链接: